|
The Term Project of UC Berkeley CS 150
|
|
Signal |
Width |
Dir |
Description |
|
DIn |
32 |
I |
Packet data input bus |
|
InValid |
1 |
I |
Indicates that DIn is valid on this cycle |
|
InPacketValid |
1 |
I |
Indicates the end of a packet with a valid CRC |
|
InPacketInvalid |
1 |
I |
Indicates the end of a packet with an invalid CRC |
|
EthernetClock |
1 |
I |
25MHz Ethernet Clock |
|
EthernetReset |
1 |
I |
EthernetClock synchronous reset |
|
OutClock |
1 |
I |
12.288MHz Audio Clock |
|
OutReset |
1 |
I |
OutClock synchronous reset |
|
DOut |
32 |
O |
Audio data output bus |
|
OutRequest |
1 |
I |
Request for a new audio word output |
|
OutValid |
1 |
O |
Indicates that DOut is currently valid |
|
datawords |
|
P |
There should be a datawords parameter, which will allow you to easily change the size of the packet decoded by this module |
Audio Volume Control
AC97Controller.v
|
Signal |
Width |
Dir |
Description |
|
AP_SDATA_OUT |
1 |
O |
AC97 serial data output to the LM4549A |
|
AP_BIT_CLOCK |
1 |
I |
A 12.288MHz gated clock. You should use this for all audio circuitry. |
|
AP_SDATA_IN |
1 |
I |
AC97 serial data input from the LM4549A |
|
AP_SYNC |
1 |
O |
AC97 frame synchronization signal |
|
AP_RESET_ |
1 |
O |
Active low (Notice the _) reset for the LM4549A. This will gate the AP_BIT_CLOCK |
|
AP_PC_BEEP |
1 |
O |
PC beep output. Tie to 1’b0. |
|
Reset |
1 |
I |
System reset, synchronous to Clock, used with LocalResetGen |
|
Clock |
1 |
I |
System 27MHz free running clock, used with LocalResetGen |
|
PCM_DIn |
32 |
I |
32bit PCM data input. Bits [31:16] is the left sample, bits [15:0] is the right sample. |
|
PCM_InValid |
1 |
I |
Data valid input. Indicates that PCM_DIn is valid. Driven by Eth2Data. |
|
PCM_InRequest |
1 |
O |
PCM_DIn request. Causes a read from the Eth2Data FIFO. |
|
PCM_DOut |
32 |
O |
PCM data output. This would carry the data read from the microphone. Unused this semester. |
|
PCM_OutValid |
1 |
O |
Indicates that PCM_DOut has valid data. Unused this semester. |
|
CMD_AIn |
7 |
I |
The address of the AC97 register to write. |
|
CMD_DIn |
16 |
I |
Data to write to the AC97 register indicated by CMD_AIn. |
|
CMD_InValid |
1 |
I |
Indicates that CMD_DIn and CMD_AIn are valid in response to CMD_InRequest. |
|
CMD_InRequest |
1 |
O |
Request by this controller for the next AC97 register to write. |
|
AudioReset |
1 |
O |
Audio system reset. Generated by LocalResetGen. |
|
AudioClock |
1 |
O |
12.288MHz audio system clock. Another name for AP_BIT_CLOCK. |
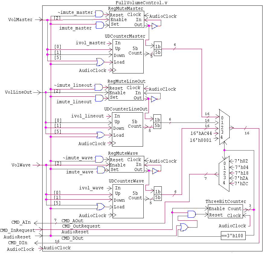
FullVolumeControl.v
|
Signal |
Width |
Dir |
Description |
|
VolMaster |
6 |
I |
Volume control for all audio being played out the headphone jack on the CaLinx2 board. Notice, there is a blue potentiometer which affects this also. |
|
VolLineOut |
6 |
I |
Volume control for all audio being played out the RCA Line Out Jacks on the CaLinx2 board. |
|
VolLineIn |
6 |
I |
Unused this semester. |
|
VolWave |
6 |
I |
Volume control for all PCM data from the FPGA. |
|
VolMic |
6 |
I |
Unused this semester |
|
VolRecordGain |
6 |
I |
Unused this semester |
|
RecordSource |
3 |
I |
Unused this semester |
|
CMD_AOut |
7 |
O |
The address of the AC97 register to write. |
|
CMD_DOut |
16 |
O |
Data to write to the AC97 register indicated by CMD_AOut. |
|
CMD_OutValid |
1 |
O |
Indicates that CMD_DOut and CMD_AOut are valid in response to CMD_OutRequest. |
|
CMD_OutRequest |
1 |
I |
Request from AC97Controller for the next AC97 register to write. |
|
AudioReset |
1 |
I |
Audio system reset. |
|
AudioClock |
1 |
I |
12.288MHz audio system clock. Another name for AP_BIT_CLOCK. |